Selvoppsett-trykkgrense Micro Switch er en automatisk kontrollkomponent utløst av mekanisk bevegelse. Kjernefunksjonen er å oppdage forskyvningen eller hjerneslaget til et objekt for å oppnå åpning og lukking av kretsløp, start og stopp av utstyr, eller begrense beskyttelsen. Det er en uunnværlig 'Safety Sentinel' og 'Action Commander' i industriell automatisering og elektromekanisk utstyr.
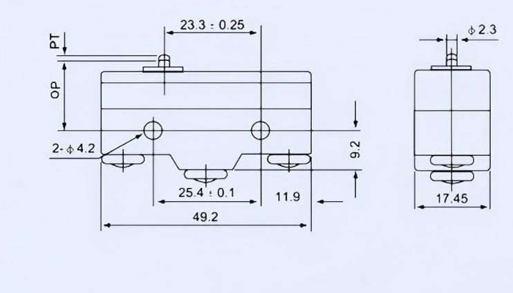
Bryter Inntredinguction
Reisebryteren (også kjent som en grensebryter) er en automatisk kontrollkomponent utløst av mekanisk bevegelse. Kjernefunksjonen er å oppdage forskyvningen eller hjerneslaget til et objekt for å oppnå åpning og lukking av kretsløp, start og stopp av utstyr, eller begrense beskyttelsen. Det er en uunnværlig 'Safety Sentinel' og 'Action Commander' i industriell automatisering og elektromekanisk utstyr.
Bryter Application
Skjæreplattformløftemekanismen til Combine Harvester er utstyrt med en reisebryter som setter "minimum arbeidshøyde" og "transporthøyde" på skjæreplattformen. Under høstingen, hvis skjæreplattformen synker for lavt (nær bakken, muligens skraper jorden), utløses bryteren for å kontrollere det hydrauliske systemet for å heve skjæreplattformen; Under transporten, når skjæreplattformen stiger til den høyeste posisjonen, utløses bryteren for å låse skjæreplattformhøyden, og forhindrer risting under kjøring. I frøboksen til seederen oppdager reisebryteren frønivået. Når frøene er i ferd med å gå tom, utløser bryteren en alarmanordning for å minne operatøren om å legge til frø, og forhindrer savnet såing.
Bryter Detaljer
