LS høykvalitets grense-slagbryter er en automatisk kontrollkomponent utløst av mekanisk bevegelse. Kjernefunksjonen er å oppdage forskyvningen eller hjerneslaget til et objekt for å oppnå åpning og lukking av kretsløp, start og stopp av utstyr, eller begrense beskyttelsen. Det er en uunnværlig 'Safety Sentinel' og 'Action Commander' i industriell automatisering og elektromekanisk utstyr.
Bryter Inntredinguction
Reisebryteren (også kjent som en grensebryter) er en automatisk kontrollkomponent utløst av mekanisk bevegelse. Kjernefunksjonen er å oppdage forskyvningen eller hjerneslaget til et objekt for å oppnå åpning og lukking av kretsløp, start og stopp av utstyr, eller begrense beskyttelsen. Det er en uunnværlig 'Safety Sentinel' og 'Action Commander' i industriell automatisering og elektromekanisk utstyr.
Bryter Application
Transportbåndsystem: Grensebrytere er installert ved start-/sluttpunktene til transportøren. Når et arbeidsstykke transporteres til den angitte posisjonen, utløses bryteren for å pause transportøren, koordinere med robotarmen for å utføre grep og sorteringshandlinger.
Assembly Line: De brukes til å oppdage om et arbeidsstykke er i riktig posisjon. For eksempel, på et monteringslinje for hjemmeapparat, når det ytre skallet beveger seg til skruen for stramming av skruen, utløser bryteren oppstarten til strammingsmaskinen, noe som sikrer presis koordinering mellom prosesstrinn.
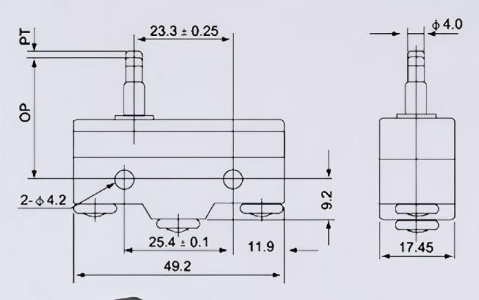
Bryter Detaljer
