Uavhengig dual-pol-grense reisebryter er en automatisk kontrollkomponent utløst av mekanisk bevegelse. Kjernefunksjonen er å oppdage forskyvningen eller hjerneslaget til et objekt for å oppnå åpning og lukking av kretsløp, start og stopp av utstyr, eller begrense beskyttelsen. Det er en uunnværlig 'Safety Sentinel' og 'Action Commander' i industriell automatisering og elektromekanisk utstyr.
Bryter Inntredinguction
Reisebryteren (også kjent som en grensebryter) er en automatisk kontrollkomponent utløst av mekanisk bevegelse. Kjernefunksjonen er å oppdage forskyvningen eller hjerneslaget til et objekt for å oppnå åpning og lukking av kretsløp, start og stopp av utstyr, eller begrense beskyttelsen. Det er en uunnværlig 'Safety Sentinel' og 'Action Commander' i industriell automatisering og elektromekanisk utstyr.
Bryter Application
Søknad i hvitevarer og smarthjem:
Vaskemaskin:En grensebryter er installert på døren til en vaskemaskin foran. Apparatet starter bare når døren er helt lukket og bryteren aktiverer kretsen, noe som forhindrer at vannlekkasje eller klær blir kastet ut under drift.
Kjøleskap/ovn:Når en kjøleskapsdør er lukket, utløser bryteren for å slå av interiørlyset. Motsatt, hvis en ovnsdør ikke er stengt, vil bryteren kutte strømmen til varmeelementene for å forhindre varmelekkasje.
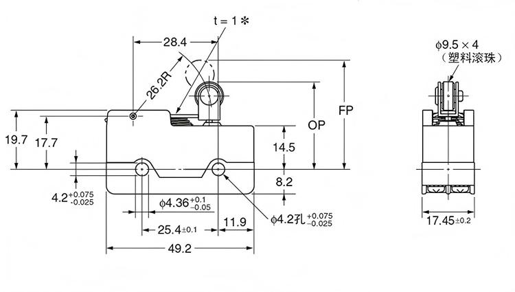
Bryter Detaljer
