Som referansemodellen til Yueqing Tongda Wire Electric Factorys mikrobryterserie, har HK-14 16A 250VAC T125 Universal Pentium Supor riskokertilbehør mikrobryter "høy følsomhet, ultralang levetid og tilpasningsevne i flere scenarier" som sine kjernefordeler. Ved å integrere selskapets 35 år med bryterproduksjonsekspertise, har den blitt en nøkkelkomponent innen husholdningsapparater, bilelektronikk, industriell automasjon og andre felt, takket være dens minimale kontaktgap og hurtigvirkende mekanisme. Ytelsen og påliteligheten har blitt sertifisert av flere autoritative organisasjoner over hele verden, og sikrer dens mainstream-posisjon i nisjemarkedet.
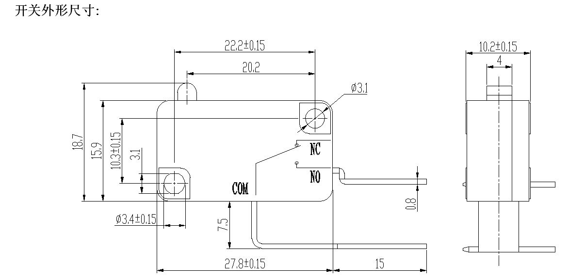
Micro Switch Introduksjon
HK-14 viser sterk konkurranseevne i tekniske spesifikasjoner og er spesielt egnet for høyfrekvente, høypresisjonskontrollkrav. Kontaktene er laget av svært ledende legeringsmaterialer, med en initial kontaktmotstand på ≤30mΩ, i stand til stabilt å bære strømmer fra 5A til 25A, og kompatible med flere spenningsscenarier inkludert AC 125V/250V og DC 12V/24V, og dekker ulike strømbehov fra små husholdningsapparater til industrielt utstyr.
Når det gjelder utløsningsytelse, bruker produktet en snap-action-mekanisme, med et driftsslag på bare 0,5-1,6 mm og en driftskraft kontrollert mellom 0,25-4N. Den tilbyr rask utløsende respons og tydelig tilbakemelding, og unngår effektivt problemer med "falsk utløsning" og "utløserforsinkelse." Levetiden overgår langt industrinormer: mekanisk levetid overstiger 1 million sykluser, og elektrisk levetid når over 50 000 sykluser, noe som muliggjør langsiktig stabil drift i høyfrekvente bruksscenarier som mikrobølgeovner og bilelektronikk.
Den miljømessige tilpasningsevnen er like imponerende. Produktet kan operere i et bredt temperaturområde fra -25 ℃ til 125 ℃, bestå en treakset vibrasjonstest ved 10-55Hz med en amplitude på 1,5 mm, opprettholde en isolasjonsmotstand på ≥100MΩ (500VDC), og tåle en spenning på 1000V AC i industrielle klemmer eller til og med vibrerende vekselstrøm i verksted. høye temperaturforhold i et bilmotorrom.
HK-14 er avhengig av Leqing Tongdas fullprosess kvalitetskontrollsystem, og gjennomgår flere strenge tester fra råvarer til ferdige produkter:
Råmaterialetesting: Spektralanalyse av kontaktmateriale, elastisitets- og tretthetstester av fjærstykker, og aldringsmotstandstester for foringsrør for å sikre at kjernekomponenter oppfyller bilstandarder;
Produksjonstesting: Helautomatiserte presisjonsmonteringslinjer utstyrt med visuelle inspeksjonssystemer, kontrollerer nøkkeldimensjonale feil innenfor ±0,01 mm for å sikre konsistent aktiveringsnøyaktighet;
Testing av ferdige produkter: 100 % bestått for 10 tester, inkludert høy- og lavtemperatursykling (-40 ℃ til 120 ℃), 48-timers saltspraykorrosjon, millioner av pressesykluser, vibrasjons- og slagtester.
Mikrobryterparameter (spesifikasjon)
| Bryter tekniske egenskaper: | |||
| PUNKT | Teknisk parameter | Verdi | |
| 1 | Elektrisk vurdering | 5(2)A/10A/16(3)A/21(8)A 250VAC | |
| 2 | Kontakt motstanden | ≤30mΩ Startverdi | |
| 3 | Isolasjonsmotstand | ≥100MΩ (500VDC) | |
| 4 |
Dielektrisk Spenning |
Mellom ikke-tilkoblede terminaler |
1000V/0,5mA/60S |
| Mellom terminaler og metallrammen |
3000V/0,5mA/60S | ||
| 5 | Elektrisk liv | ≥50 000 sykluser | |
| 6 | Mekanisk liv | ≥1000000 sykluser | |
| 7 | Driftstemperatur | -25~125℃ | |
| 8 | Driftsfrekvens | elektrisk: 15 sykluser Mekanisk: 60 sykluser |
|
| 9 | Vibrasjonssikker | Vibrasjonsfrekvens: 10~55HZ; Amplitude: 1,5 mm; Tre retninger: 1H |
|
| 10 | Loddeevne: Mer enn 80 % av nedsenket del skal dekkes med loddetinn |
Loddetemperatur: 235±5 ℃ Neddykkingstid: 2~3S |
|
| 11 | Loddemotstand mot varme | Dypplodding: 260±5℃ 5±1S Manuell lodding: 300±5℃ 2~3S |
|
| 12 | Sikkerhetsgodkjenninger | UL, CSA, VDE, ENEC, TUV, CE, KC, CQC | |
| 13 | Testbetingelser | Omgivelsestemperatur: 20±5 ℃ Relativ fuktighet :65±5%RH Lufttrykk: 86~106KPa |
|
Mikrobryterfunksjon og applikasjon
Mikrobryterdetaljer

